МЗ-ВС
MINGHUNG

Модель | МЗ-ВСМ | МХ-VSM2600 |
Максимальная ширина шпона | <2600мм | <1300мм |
Толщина шпона | 1-4мм | 1-4мм |
Скорость | 30-100м/мин | 30-100м/мин |
Сортировка шпона | 3 бункера | 2 бункера |
Размер машины | 8000*2100*3900мм | 6500*2100*3900мм |
SHANDONG MINGHUNG WOOD MACHINERY CO.,LTD
ВЕБ-САЙТ: www.plywoodmachineline.com
ЭЛЕКТРОННАЯ ПОЧТА: minghungmachinery@gmail.com
ВАТСАП: +8618769900191
+8615589105786
Каталог
Глава 1、Механическая структура...............................................................1-4
Глава 2、Кабина и экран..........................................................................5-16
Глава 3、Подготовка к установке .........................................................................17-22
Глава 4 、Тест запуска машины .....................................................................23-31
Глава 5、Распространенные проблемы и решения.................................................32-36
Глава 6、Обслуживание машины.................................................................37-40
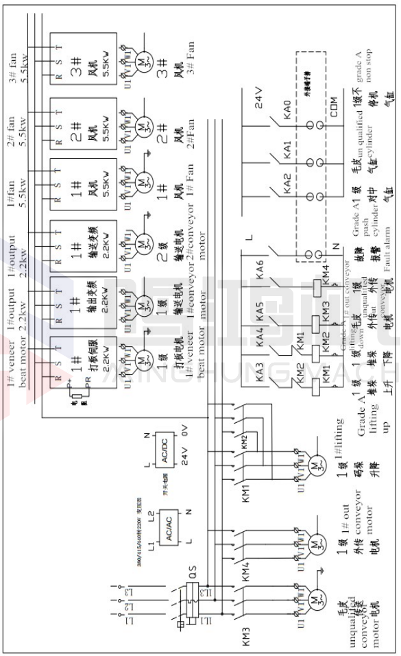
Глава 7、Принципиальная электрическая схема............................................................................41
Глава 1、Механическая структура





1-Сортировочное устройство шпона 2-1# конвейер 3- 2# конвейер 4-нажимной цилиндр
5-Подъемная сказка 6- Выходной конвейер 7 - Гидравлическая станция 8-конвейер шпона неквалифицированный

9- 1# Двигатель Veneer beat 10- 1# Устройство Veneer beat 11- 1# Вентилятор/двигатель 12- 2# Вентилятор/двигатель
13-2#Устройство ударов шпона 14- 2#Мотор ударов шпона А- Датчик ударов шпона

3-2 # конвейер 15-Air Way B-датчик поступления шпона C-Up предельный датчик

Датчик предела C-Up Датчики сортировки шпона D E-датчик нижнего предела
Датчик конвейера F-Out Датчик предела перегрузки


Глава 2、Кабина и экран






1-Коммутируемая мощность 2-Главный выключатель 3-Изолирующий трансформатор 4-Воздушный выключатель 5-Контактор 6-Клеммная колодка 7-ПЛК
8-Реле 9-Инвертор вентилятора 10-Инвертор конвейера 11-Сервопривод 12-Соединение проводов двигателя


1 | Определение ширины | Текущая ширина шпона от детектора | 9 | Ручной переключатель | Перейти на страницу ручного управления |
2 | Комплект ширины шпона | Ширина шпона будет укладываться | 10 | Установка значения | Перейти на страницу настройки стоимости |
3 | Дефект шпона позволяет | Площадь дефекта/целая часть шпона | 11 | Скорость | 1# скорость конвейера от детектор |
4 | Сортировочный цилиндр вверх | Время закрытия сортировочного цилиндра после падения неквалифицированного шпона | 12 | Обнаружение дефекта шпона | Текущий шпон обнаружить скорость от детектор |
5 | Сортировочный цилиндр вниз | Время открытия цилиндра сортировки | 13 | Количество укладчика шпона | Весь уложенный шпон Количество |
6 | Рабочий режим | Отображение рабочего режима | 14 | Текущий стек шпона | Кол-во текущего укладчика шпона |
7 | Сброс ошибки | Проблема решена, машина возвращается в нормальное состояние | 15 | Сумма тревоги | Максимальное количество укладчиков установлено |
8 | Датчики сортировки |
|








1 | Сортировочный цилиндр вверх | Время закрытия сортировочного цилиндра после падения неквалифицированного шпона | 8 | Припуск на ширину шпона класса А | Диапазон ширины, который класс А |
2 | Сортировочный цилиндр вниз | Время открытия цилиндра сортировки | 9 | Количество шпона класса А на толчок | Кол-во нажимных цилиндров одно действие |
3 | Максимальный допуск по ширине | Максимальный допуск по ширине шпона Qualified | 10 | Задержка толчка класса A | Время открытия толкающего цилиндра после падения шпона |
4 | Припуск на мини-ширину | Максимальный допуск по ширине шпона Qualified | 11 | Нажмите и удерживайте | Нажимной цилиндр держит время |
5 | Комплект ширины шпона | Ширина шпона будет укладываться | 12 | Мощность вентилятора Регулировка | Перейти на страницу мощности вентилятора |
6 | Дефект шпона позволяет | Площадь дефекта/целая часть шпона | 13 | Обнаружение изменения ширины | Перейти на страницу изменения ширины |
7 | Дефект шпона класса А позволять | Площадь дефекта винира Град А Допустимый | 14 | Заводские параметры | Параметры перед выездом машины |



Датчики сортировки Открыть/закрыть
①
неисправность датчиков сортировки: измените использование датчиков сортировки с «ВКЛ» на «НЕТ», это не повлияет на работу машины.после смены на новые датчики .сменить «НЕТ» на «ВКЛ»









②Большое изменение ширины шпона: например, с 1300 мм на 970 мм или с 2600 на 2000 мм. Закройте датчики 1#, 2#, 13#, 14#.






Операционная зона







Глава 3, Подготовка к установке



Сборка машины
1. Для удобства переноса машина разбита на 6 частей.









2.Соберите шаги



3Подключите подъемный стол и гидравлическую станцию.

4Поместите выходной конвейер в правильное положение



После подключения провода двигателя откройте экран, перейдите на страницу ручного управления, щелкните область ручного управления, проверьте направление вращения двигателя, если неправильно, замените 2 провода.





2. Введите правую ширину шпона на экране
Обратите внимание: «набор ширины шпона» должен быть таким же, как у машины для снятия шпона.



3. Обнаружение изменения ширины

①
Получите шпон и запомните его ширину B=? ②Поместите его на конвейер перед датчиками.
③Откройте аварийную кнопку, шпон пройдет через датчики ④ Нажмите «Определить изменение ширины»







O




4. Датчик удара шпона (бесконтактный переключатель)
① Отрегулируйте расстояние датчика биения шпона и устройства биения шпона, 0,5 см, свет датчика просто яркий!
② Изолирующая прокладка датчика просто касается корпуса подшипника.





5. Отрегулируйте шпон, чтобы получить эффективный диапазон датчика.
① Поместите шпон на расстоянии 5-6 см от вышеуказанного датчика, проверьте его яркость или нет. 
② Если свет датчика не яркий, отрегулируйте диапазон охвата датчика следующим образом.














6. Регулировка датчика прибытия шпона
① Включите питание, поместите шпон перед конвейером 1 #, проверьте разницу во времени между прохождением шпона по воздуховоду и нажатием на полосу шпона. если не войти полностью, а вытолкнуть, отрегулируйте «Задержка стека класса А»















7. Отрегулируйте мощность вентилятора.
① Мощность вентилятора необходимо регулировать в зависимости от толщины шпона и влажности.
②Если шпон не впитывается в воздуховод, увеличьте мощность вентилятора.

③Если шпон остановлен вперед, уменьшите мощность вентилятора.


















Глава 5. Распространенные проблемы и решения
Проблема 1: Неисправность подъемного стола
①Включить или отключить ② Проверить датчики
③ линия изношена 4Wire разрыв соединения
Проблема 2: отказ конвейера
①Включить или отключить ②Разрыв соединения проводов
③Инвертор: номер означает нормальный Код 4Mess значит проблема
Проблема 3: Отказ вентилятора
①Включить или отключить ② Проверьте состояние двигателя.

③Инвертор: номер означает нормальный Код 4Mess значит проблема
Проблема 4: неисправность сортировочного цилиндра
①Режим работы «Неквалифицированный шпон». ②Соединение воздушной трубы
③Давление воздуховода 3-5PMa 4Электромагнитный клапан


Проблема 5: Автоматическая остановка машины
① Включить или отключить ② Инвертор: номер или код сетки

③ Проверка Верхний предельный датчик C и нижний предельный датчик E светятся одновременно?









1. Проверьте, затянуты ли все винты. На новой машине необходимо проверить все винты в течение 3-5 дней.
3-5 дней

2. Цепь. Шестерню необходимо смазывать 2-3 раза за смену.
2-3 раза /shift3.Содержите вентилятор в чистоте.
4. Регулярно проверяйте все датчики.
5. Проверьте состояние всех ремней и рабочее состояние.
6. Регулярно проверяйте уровень масла в гидравлической станции.
7. Подшипники и скользящие детали необходимо регулярно смазывать.
① Устройство Veneer beat смазывается 2 раза в день ② Водомасляный сепаратор
③ Скользящие брусья 2-3 раза за смену ④Подшипник следует своевременно смазывать




Модель | МЗ-ВСМ | МХ-VSM2600 |
Максимальная ширина шпона | <2600мм | <1300мм |
Толщина шпона | 1-4мм | 1-4мм |
Скорость | 30-100м/мин | 30-100м/мин |
Сортировка шпона | 3 бункера | 2 бункера |
Размер машины | 8000*2100*3900мм | 6500*2100*3900мм |
SHANDONG MINGHUNG WOOD MACHINERY CO.,LTD
ВЕБ-САЙТ: www.plywoodmachineline.com
ЭЛЕКТРОННАЯ ПОЧТА: minghungmachinery@gmail.com
ВАТСАП: +8618769900191
+8615589105786
Каталог
Глава 1、Механическая структура...............................................................1-4
Глава 2、Кабина и экран..........................................................................5-16
Глава 3、Подготовка к установке .........................................................................17-22
Глава 4 、Тест запуска машины .....................................................................23-31
Глава 5、Распространенные проблемы и решения.................................................32-36
Глава 6、Обслуживание машины.................................................................37-40
Глава 7、Принципиальная электрическая схема............................................................................41
Глава 1、Механическая структура





1-Сортировочное устройство шпона 2-1# конвейер 3- 2# конвейер 4-нажимной цилиндр
5-Подъемная сказка 6- Выходной конвейер 7 - Гидравлическая станция 8-конвейер шпона неквалифицированный

9- 1# Двигатель Veneer beat 10- 1# Устройство Veneer beat 11- 1# Вентилятор/двигатель 12- 2# Вентилятор/двигатель
13-2#Устройство ударов шпона 14- 2#Мотор ударов шпона А- Датчик ударов шпона

3-2 # конвейер 15-Air Way B-датчик поступления шпона C-Up предельный датчик

Датчик предела C-Up Датчики сортировки шпона D E-датчик нижнего предела
Датчик конвейера F-Out Датчик предела перегрузки


Глава 2、Кабина и экран






1-Коммутируемая мощность 2-Главный выключатель 3-Изолирующий трансформатор 4-Воздушный выключатель 5-Контактор 6-Клеммная колодка 7-ПЛК
8-Реле 9-Инвертор вентилятора 10-Инвертор конвейера 11-Сервопривод 12-Соединение проводов двигателя


1 | Определение ширины | Текущая ширина шпона от детектора | 9 | Ручной переключатель | Перейти на страницу ручного управления |
2 | Комплект ширины шпона | Ширина шпона будет укладываться | 10 | Установка значения | Перейти на страницу настройки стоимости |
3 | Дефект шпона позволяет | Площадь дефекта/целая часть шпона | 11 | Скорость | 1# скорость конвейера от детектор |
4 | Сортировочный цилиндр вверх | Время закрытия сортировочного цилиндра после падения неквалифицированного шпона | 12 | Обнаружение дефекта шпона | Текущий шпон обнаружить скорость от детектор |
5 | Сортировочный цилиндр вниз | Время открытия цилиндра сортировки | 13 | Количество укладчика шпона | Весь уложенный шпон Количество |
6 | Рабочий режим | Отображение рабочего режима | 14 | Текущий стек шпона | Кол-во текущего укладчика шпона |
7 | Сброс ошибки | Проблема решена, машина возвращается в нормальное состояние | 15 | Сумма тревоги | Максимальное количество укладчиков установлено |
8 | Датчики сортировки |
|








1 | Сортировочный цилиндр вверх | Время закрытия сортировочного цилиндра после падения неквалифицированного шпона | 8 | Припуск на ширину шпона класса А | Диапазон ширины, который класс А |
2 | Сортировочный цилиндр вниз | Время открытия цилиндра сортировки | 9 | Количество шпона класса А на толчок | Кол-во нажимных цилиндров одно действие |
3 | Максимальный допуск по ширине | Максимальный допуск по ширине шпона Qualified | 10 | Задержка толчка класса A | Время открытия толкающего цилиндра после падения шпона |
4 | Припуск на мини-ширину | Максимальный допуск по ширине шпона Qualified | 11 | Нажмите и удерживайте | Нажимной цилиндр держит время |
5 | Комплект ширины шпона | Ширина шпона будет укладываться | 12 | Мощность вентилятора Регулировка | Перейти на страницу мощности вентилятора |
6 | Дефект шпона позволяет | Площадь дефекта/целая часть шпона | 13 | Обнаружение изменения ширины | Перейти на страницу изменения ширины |
7 | Дефект шпона класса А позволять | Площадь дефекта винира Град А Допустимый | 14 | Заводские параметры | Параметры перед выездом машины |



Датчики сортировки Открыть/закрыть
①
неисправность датчиков сортировки: измените использование датчиков сортировки с «ВКЛ» на «НЕТ», это не повлияет на работу машины.после смены на новые датчики .сменить «НЕТ» на «ВКЛ»









②Большое изменение ширины шпона: например, с 1300 мм на 970 мм или с 2600 на 2000 мм. Закройте датчики 1#, 2#, 13#, 14#.






Операционная зона







Глава 3, Подготовка к установке



Сборка машины
1. Для удобства переноса машина разбита на 6 частей.









2.Соберите шаги



3Подключите подъемный стол и гидравлическую станцию.

4Поместите выходной конвейер в правильное положение



После подключения провода двигателя откройте экран, перейдите на страницу ручного управления, щелкните область ручного управления, проверьте направление вращения двигателя, если неправильно, замените 2 провода.





2. Введите правую ширину шпона на экране
Обратите внимание: «набор ширины шпона» должен быть таким же, как у машины для снятия шпона.



3. Обнаружение изменения ширины

①
Получите шпон и запомните его ширину B=? ②Поместите его на конвейер перед датчиками.
③Откройте аварийную кнопку, шпон пройдет через датчики ④ Нажмите «Определить изменение ширины»







O




4. Датчик удара шпона (бесконтактный переключатель)
① Отрегулируйте расстояние датчика биения шпона и устройства биения шпона, 0,5 см, свет датчика просто яркий!
② Изолирующая прокладка датчика просто касается корпуса подшипника.





5. Отрегулируйте шпон, чтобы получить эффективный диапазон датчика.
① Поместите шпон на расстоянии 5-6 см от вышеуказанного датчика, проверьте его яркость или нет. 
② Если свет датчика не яркий, отрегулируйте диапазон охвата датчика следующим образом.














6. Регулировка датчика прибытия шпона
① Включите питание, поместите шпон перед конвейером 1 #, проверьте разницу во времени между прохождением шпона по воздуховоду и нажатием на полосу шпона. если не войти полностью, а вытолкнуть, отрегулируйте «Задержка стека класса А»















7. Отрегулируйте мощность вентилятора.
① Мощность вентилятора необходимо регулировать в зависимости от толщины шпона и влажности.
②Если шпон не впитывается в воздуховод, увеличьте мощность вентилятора.

③Если шпон остановлен вперед, уменьшите мощность вентилятора.


















Глава 5. Распространенные проблемы и решения
Проблема 1: Неисправность подъемного стола
①Включить или отключить ② Проверить датчики
③ линия изношена 4Wire разрыв соединения
Проблема 2: отказ конвейера
①Включить или отключить ②Разрыв соединения проводов
③Инвертор: номер означает нормальный Код 4Mess значит проблема
Проблема 3: Отказ вентилятора
①Включить или отключить ② Проверьте состояние двигателя.

③Инвертор: номер означает нормальный Код 4Mess значит проблема
Проблема 4: неисправность сортировочного цилиндра
①Режим работы «Неквалифицированный шпон». ②Соединение воздушной трубы
③Давление воздуховода 3-5PMa 4Электромагнитный клапан


Проблема 5: Автоматическая остановка машины
① Включить или отключить ② Инвертор: номер или код сетки

③ Проверка Верхний предельный датчик C и нижний предельный датчик E светятся одновременно?









1. Проверьте, затянуты ли все винты. На новой машине необходимо проверить все винты в течение 3-5 дней.
3-5 дней

2. Цепь. Шестерню необходимо смазывать 2-3 раза за смену.
2-3 раза /shift3.Содержите вентилятор в чистоте.
4. Регулярно проверяйте все датчики.
5. Проверьте состояние всех ремней и рабочее состояние.
6. Регулярно проверяйте уровень масла в гидравлической станции.
7. Подшипники и скользящие детали необходимо регулярно смазывать.
① Устройство Veneer beat смазывается 2 раза в день ② Водомасляный сепаратор
③ Скользящие брусья 2-3 раза за смену ④Подшипник следует своевременно смазывать



С приближением Рождества компания Shandong MINGHUNG по производству древесно-стружечных плит Co., Ltd. встретила новый пик поставок.
В начале декабря 2025 года кульминация тесного сотрудничества внешнеторговой команды MINGHUNG и наших партнеров — 9 контейнеров, полностью загруженных основным оборудованием для линии по производству фанеры.
Шандунг Мингхунг Древесной Машины Фабрики Шандунг Мингхунг Древесной Машины производят фанерные машины в городе Линьи, Китай, посвященный обеспечению высококачественной и подходящей машины винерея, фанерная машина, винера.
Как производить ДСП?Каков производственный этап изготовления ДСП? Введение: ДСП, также известная как ДСП, представляет собой универсальный и экономичный материал, широко используемый в строительной и мебельной промышленности.Он изготавливается путем сжатия древесных частиц и клея.
Полное руководство по машинам горячего прессования фанеры: изготовление высококачественной фанеры. Введение: Фанера — универсальный и широко используемый материал в различных отраслях промышленности, от строительства до производства мебели.За кулисами машины горячего прессования фанеры играют решающую роль в производственном процессе.
Shandong Minghung продолжит заниматься исследованиями, разработками и производством деревообрабатывающего оборудования. Мы стремимся строить долгосрочные, взаимовыгодные партнерские отношения с клиентами по всему миру посредством надежных продуктов, своевременных поставок и профессионального обслуживания.
Что такое сушилка для шпона?MINGHUNG Роликовая сушилка для шпона предназначена для сушки оригинального деревянного шпона, удаления избыточной влаги, в конечном итоге влажность деревянного шпона будет составлять 5-10%, поэтому она подходит для изготовления фанеры. Валковые сушилки для шпона подходят для большой производительности сушки в день, они могут быть разной длины и ширины.
ДСП (также известная как ДСП) — это обычная деревянная панель, изготовленная путем смешивания древесных фрагментов или частиц с клеем (например, мочевиноформальдегидной смолой) и последующего горячего прессования для придания им формы.
Недавно в порт Циндао был подготовлен к отправке высокопроизводительный шлифовальный станок для фанеры, готовый отправиться к нашему ценному партнеру в России.
Эта партия не только демонстрирует сильную производственную координацию Minghung Machinery и возможности выполнения международной торговли, но и обеспечивает быстрое ввод в эксплуатацию производственной линии клиента.